■SAVE(サーベ)社のペレットストーブ用煙突・排気管・排気筒

SAVE(サーベ社)はイタリアの煙突メーカーです。ペレットストーブ、薪ストーブ、ガスヒーターなど様々な排気管を製造・輸出しております。 春から夏にかけて生産を増強して秋から冬にかけては逆に出荷中心へ人員を大幅シフトしております。その備蓄倉庫は13,000㎡の広さです。
■SAVE(サーベ)ペレットストーブ用排気管・排気筒
<Φ80NEROスチール管エナメルコーティング排気管・排気筒>

ペレットストーブ専用の排気管・排気筒として開発されたのがスチール製のplusシリーズです。
木質燃料を燃焼させる際に発生する木ガスは酸性度が高い(pH1.5~3.75)ので、排気管には耐食性の高い素材を使用する事が必須です。plusシリーズは内外面は全てエナメルコーティングが施されておりますので耐食性に優れています。また厚さは1.2mmで剛性がありますのでペレットストーブの排気管として最適です。ステンレス管ですとSUS316L相当以上の耐食性が必要です。
また直管、伸縮管にこれまでの厚さ1.2mmより薄い約0.7mmのシングル直管が2016年より発売になりました。エナメルコーティングは従来通りですので耐食性はそのままで軽くて安価になりますのでお求めやすくなります。
通常、ペレットストーブには排気ファンが組み込まれており、排気ファンの出口側は室内圧に対してプラス圧になるので配管はシールリングなどを用いた構造でなければなりません。
plusシリーズも接続部にはシールリングが必要です。
※部品単品にはシールリングは含まれておりません。別売となりますのでご注意下さい。
また排気ファンから1m以内のシールリングには耐熱温度250℃のヴィトンシールリングをお使い下さい。
従ってペレットストーブの排気温度は250℃以下でなければなりません。ペレットストーブを選定する際は必ず排気温度が250℃以下であることをご確認下さい。
※輸入品のため価格は予告なしに変更する場合がございます。
※寸法はロットによって予告なしに変更になる場合がございます。
SAVEの排気管はAmazonでもご購入頂けます。
■SAVE(サーベ)シングル・ストレート管NERO(黒)1.2mm■
<50cm>Φ120(PN1201):3,700円(税抜)
<1m>Φ100(PN1000):5,000円(税抜)
Φ120(PN1200):5,700円(税抜)
■SAVE(サーベ)シングル・ストレート管NERO(黒)LIGHT(ライト)0.7mm■
厚さ1.2mmの在庫が無くなり次第、こちらのLIGHTが標準となります。
<25cm>Φ80(PNL802):2,900円 (税抜)
Φ100(PNL1002):3,300円(税抜)※在庫無し
<50cm>Φ80(PNL801):3,400円 (税抜)
Φ100(PNL1001):4,000円(税抜)
<1m>Φ80(PNL800):5,200円(税抜)
Φ100(PNL1000):6,000円(税抜)※在庫無し
■SAVE(サーベ)Φ80用33cm伸縮管NERO(黒)LIGHT(ライト)■
※シールリングは2個必要です。
こちらは伸縮管です。(MIN40.5~MAX63.5cm)
Φ80(PNL842)価格:8,900円(税抜)
Φ100(PNL1042)価格:11,000円(税抜)
■SAVE(サーベ)シングル・M/F90度エルボ■
■SAVE(サーベ)シングル・M/M90度エルボ■
■SAVE(サーベ)シングル・M/F90度蓋付(掃除口)エルボ■
Φ80(PN808):6,800円(税抜)
Φ100(PN1008):7,200円(税抜)
Φ120(PN1208):未入荷
※お掃除口の固定ボルトは組立て前に防錆剤をネジ部へ塗布して下さい。分解時に緩めやすくなります。
掃除口付きエルボの掃除口に装着されているシールリングです。
Φ80、Φ100共に共通部品です。劣化していたら交換して下さい。
Φ80、100用(NN198/10):980円(税抜)
■SAVE(サーベ)シングル・45度エルボM/F■
■SAVE(サーベ)シングル・T管M/F■
Φ80(PN805M):7,900円(税抜)
Φ100(PN1005M):9,000円(税抜)
Φ120(PN1205M):6,800円(税抜)
※スチームトラップが必要です。
※標準はこちらのM/Fです。
■Φ100/Φ80の掃除口付きT字管■
ユーロストーブオリジナル商品です。煙突が取り付けられた状態で横引きの掃除が出来ます。
※お掃除口の固定ボルトは組立て前に防錆剤をネジ部へ塗布して下さい。分解時に緩めやすくなります。
Φ100F/Φ80F:9,200円(税抜)
左はΦ80の寸法です。
■SAVE(サーベ)シングル・T管F/F■
Φ80(PN805F):7,900円(税抜)
Φ100(PN1005F):6,800円(税抜)在庫無し
Φ120(PN1205F):6,800円(税抜)在庫無し
※スチームトラップが必要です。
※オス・メスを反転させる場合に使用します。
■SAVE(サーベ)シングル・T管100F/80F■
イタリアで主流になってきている排気筒部品です。ストーブ排気がΦ80、煙突の立ち上げ部がΦ100の組み合わせとなります。排気抵抗が少なくなるのでストーブ側の排気ファンの負荷も小さく出来ます。
掃除口付Φ100/Φ80(PN1005/8F):9,200円(税抜)
横引きの掃除が簡単に出来ます。
※蓋のボルトは腐食しますので、頻繁に防錆剤の塗布などの
メンテナンスを実施して下さい。
※立ち上がりの組み合わせは下がオス(M)上がメス(F)となり標準と逆になり雨水が管内に侵入する場合があります。
■SAVE(サーベ)シングル・スチームトラップ■
Φ80(PN819C):3,800円(税抜)
Φ100(PN1019):4,300円(税抜)
Φ120(PN1219):3,300円(税抜)
※T管には必ず必要です。
※シーズンオフの煙突トップの密閉蓋としも便利です。
※新しいロットよりシリコンのドレインキャップは無くなります。
■SAVE(サーベ)シングル・パイプクランプ■
■SAVE(サーベ)シングル・パイプガイドS(壁貫通部化粧板)■
※屋外側のカバーとしてお使いください。Φ80にシールリングを使用します。
Φ80(PN809):3,800円(税抜)
Φ100(PN1009):6,400円(税抜)
Φ120(PN1209):6,900円(税抜)
■SAVE(サーベ)シングル・パイプガイドL(壁貫通部化粧板)■
■SAVE(サーベ)シリコンパイプガイド(壁貫通部化粧板)■
耐熱温度200℃のパイプガイドです。
外径Φ145、内径Φ75~Φ78
パイプリングの抑えに使用します。
Φ80(NN811):2,200(税抜)
Φ100(NN1011):2,600円(税抜)
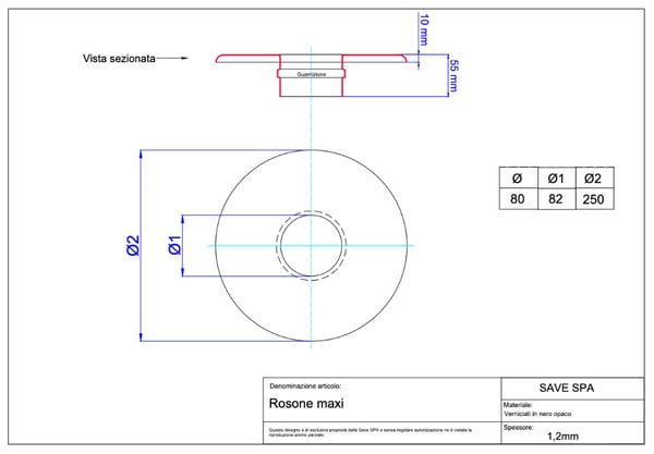
■SAVE(サーベ)スチール製パイプリング(壁貫通部室内側化粧板)

シールリングのない室内側化粧板用です。
Φ80(NN810):3,300円(税抜)
内径Φ82x外径Φ172x厚さ10mm
※シール機能はありません。
(カートン入数10:210x210x125h 1.5kg)
Φ100(NN1010):3,300円(税抜)
■SAVE(サーベ)シングル・F/Fフィティング■
■SAVE(サーベ)シングル・M/Mフィティング■
■SAVE(サーベ)風よけメッシュキャップ
Φ80(AL824):2,000円(税抜)
※在庫無し
■SAVE(サーベ)シリコンリング(耐熱200℃)■
Φ80(AS819):250円(税抜)
Φ100(AS1019):530円(税抜)
Φ120(AS1219):590円(税抜) 在庫限り
※部品には付属していません。必要数を購入下さい。
■SAVE(サーベ)ヴィトンリング(耐熱250℃)■
Φ80(AS819V):1,100円(税抜)
Φ100(AS1019V):1,400円(税抜)
Φ120(AS1219V):未入荷
※部品には付属していませんので必要数を購入下さい。
※色は変更になる場合があります。
(現在は黒色)
■断熱材
Φ80用断熱材1m (AA815):3,300円(税抜)
Φ100用断熱材1m(AA1015):3,200円(税抜)
Φ120用断熱材1m(AA1215):3,800円(税抜)
Φ150用断熱材1m(AA1515):4,000円(税抜)
※厚さ30㎜アルミシート付


アウトレット販売(1枚)
90x80cmサイズ
8,000円(税抜)+送料
※購入ご希望の方はお問い合わせ下さい。
■薪ストーブ・ペレットストーブ兼用煙突・排気筒
<断熱材入りステンレス二重管煙突・排気管・排気筒> ★professionalシリーズ★
※格安でご提供いたしますのでお問い合わせ下さい。

professionalシリーズは薪ストーブ用に開発された断熱材入りステンレス二重管です。耐久性に優れたステンレスを使い断熱材により結露せず安定したドラフトを確保できます。従って灰やタールの付着が少なく煙突火災など防止出来ます。屋外用の煙突としては勿論ですが、極寒地などのペレットストーブ用の排気管・排気筒として最適です。また触っても直ぐに火傷にいたらない表面温度ですので安心して設置出来ます。
商品入れ替えの為、格安でご提供いたします。まずはご相談下さい。
ユーロストーブ




















































